
Miniature Bearings Australia
BF0060-0090-0100-BS1215LT - Datasheet
MBA
Category Information
Bushes - Flanged - Bronze - SinteredSintered Bronze Flanged Bushes. Oil impregnated flanged sintered bronze bushes.
- An expanded range may be available on special order. Please enquire.
- Precision items show an allowable Load Speed Rating in Newtons times RPM.
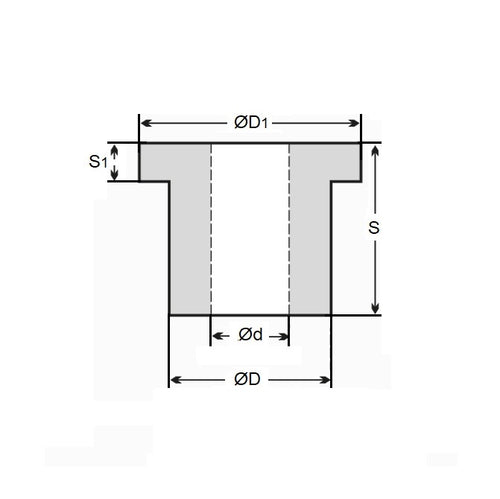
Product Data
- Nominal Inside Diameter (d) 
:
6.000
mm
+ 0.005 / + 0.030
 (Equiv. 0.236 in.)
- Nominal Outside Diameter (D) 
9.000
mm
+ 0.019 / + 0.040
 (Equiv. 0.354 in.)
- Length (s) 
10.000
mm
+/- 0.127
 (Equiv. 0.394 in.)
- Flange OD (D1) 12.00 mm
- Flange Thickness (S1) 1.50 mm
- Material Bronze SAE 841 Sintered
Product Compliance and Data
Additional Resources
- DU Bush Material Information
- General Bushes Catalogue
- Sintered Bronze Products Catalogue
- Solid Bronze Bushes catalogue
Cross References
- 6659K672
- Oilube FM-609-10
- Oilube FM-609-10-1
- BF006000900100BSLT
- FM60910
- FM609101
 
 
 


