
Miniature Bearings Australia
BF0060-0080-0040-S6 - Datasheet
MBA
Category Information
Bushes - Flanged - Split - Stainless Steel and PTFEStainless Steel and PTFE Split Flanged Bushes. Oil, acid, alkali and salt water resistant. Contains no lead. Particularly suited to food applications, flow meters and pumps in pharmaceutical applications, printing machines chemical engineering and seawater applications.
- An expanded range may be available on special order. Please enquire.
- Operating Temperature -200o to 280o Celsuis
- PTFE with oilfibre 0.01 to around 0.03mm
- Porous bronze 0.2 to around 0.3mm
- Stainless steel backing 0.7 to around 2.3mm
- 140 N/mm2 dynamic load rating. 250 N/mm2 static. 60 N/mm2 Oscillating. Speed Limit in oil 4.5 metres surface speed per second.
Product Data
Deleted Item. Available while stocks last.
Please contact us first if you wish to use this item in a new design so we can check whether production can be resumed.
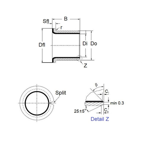
- Nominal Inside Diameter (d)
:
6.000
mm
- 0.000 / - 0.022
(Equiv. 0.236 in.) - Nominal Outside Diameter (D)
8.000
mm
+ 0.015 / - 0.000
(Equiv. 0.315 in.) - Length (s)
4.000
mm
+ 0.25 / - 0.25
(Equiv. 0.157 in.) - Flange OD (Dfl) 12.00 mm
- Flange Thickness (S1) 1.00 mm
- Material Stainless Steel with PTFE
Product Compliance and Data
Additional Resources
- DU Bush Material Information
- General Bushes Catalogue
- Sintered Bronze Products Catalogue
- Solid Bronze Bushes catalogue
Cross References
- Glacier SF-0604F-1S316
- SF0604F1S316


