
Miniature Bearings Australia
CC-060-070-C - Datasheet
MBA
Category Information
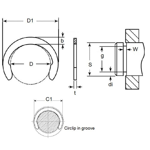
Retaining Rings - CrescentCrescent Retaining Rings. Variation of an E-Clip with an open face. Also known as a C-Clip.
- Narrow section height provides good clearance capabilities.
- Absence of teeth and deep set mean less thrust load ratings than e-clips.
- For best results install using the recommended applicator tool.
Product Data
- Groove Diameter (G)
:
6.00
mm
(Equiv. 0.236 in.) - Shaft Diameter (S)
7.00
mm
(Equiv. 0.276 in.) - Thickness (t)
0.8
mm
(Equiv. 0.031 in.) - Clip OD in groove (C1) 8.80 mm
- Clip OD Loose (D1) 8.60 mm
- Groove Width (W) 0.85
- Material Carbon Spring Steel Self Finish
Product Compliance and Data
Additional Resources
Cross References
- NoCor DC-007
- DC007


