
Miniature Bearings Australia
BF0060-0072-0032-PC2 - Datasheet
MBA
Category Information
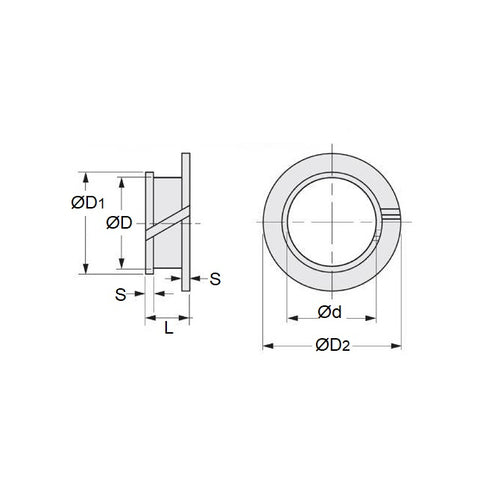
Bushes - Clip - Double FlangedDouble Flanged Clip Bushes. For use with sheet metal. Used as a light duty split bearing.
- Low clearance. Maintenance free. Economical. High Precision. High wear resistance.
- Light weight
- M250 Polymer minus 40 Deg C to 80 Deg C (minus 40 Deg F to 176 Deg F)
Product Data
- Nominal Inside Diameter (d)
:
6.000
mm
(Equiv. 0.236 in.) - Nominal Outside Diameter (D)
7.200
mm
(Equiv. 0.283 in.) - Overall Length
3.200
mm
(Equiv. 0.126 in.) - Large Flange Dia 11.000 mm
- Flange Width (S) 0.6 mm
- Small Flange Dia 7.800 mm
- Min Housing Bore 5.800 mm
- Max Housing Bore 7.200 mm
- Min Shaft Size 5.975 mm
- Max Shaft Size 6.000 mm
- Sheet Metal Thickness 1.45 to 1.92
- Material Plastic
Product Compliance and Data
Additional Resources
- DU Bush Material Information
- General Bushes Catalogue
- Sintered Bronze Products Catalogue
- Solid Bronze Bushes catalogue
Cross References
- 7817K57
- S99GMCM0607832


