
Miniature Bearings Australia
PLIT-060-120-150-59-KPU-S3F - Datasheet
MBA
Category Information
Plungers - Indexing Pull Knob - No Collar - Stainless - StandardStandard Stainless No Collar Indexing Pull Knob Plungers. This is the main category in this series
Product Data
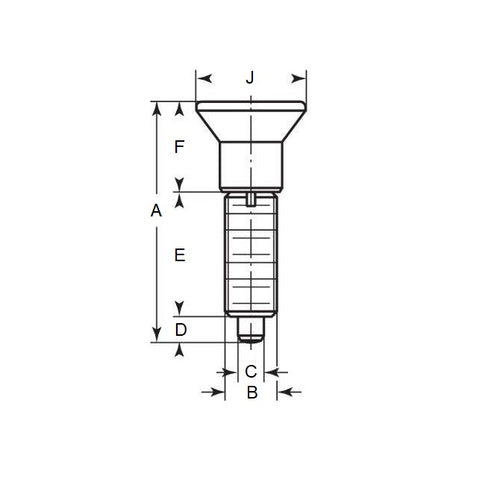
- Thread (B) : M12x1.5 (Fine)
- Overall Length (A)
59.0
mm
(Equiv. 2.323 in.) - Initial End Force 2.7 N
- Final End Force 6.4 N
- Tip Diameter (C) 6.0 mm
- Tip Length (D) 6.0 mm
- Hex Height (F) 25.0
- Knob Diameter (J) 25.0
- Material Stainless Steel 303 (Similar to A2, 304, 18-8)
Product Compliance and Data
Additional Resources
Cross References
- KBP-656
- KBP656



