
Miniature Bearings Australia
CLP-060-0181G-CZ - Datasheet
MBA
Category Information
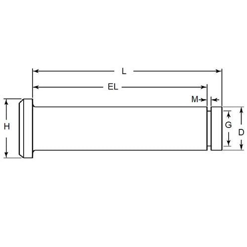
Pins - Clevis - Groove Locking - Zinc PlatedZinc Plated Groove Locking Clevis Pins. Match with a suitable E-Clip or Circlip to suit groove size shown in listings
- In addition to retaining parts on a shaft or axle, clevis pins can also be used as light duty axles, spring holders or even fishing line weights.
- Sinc plated low carbon steel
- Grooved end to suit retaining clip instead of pin.
Product Data
- Nom. Pin Diameter (D)
:
6.00
mm
- 0.04 / - 0.16
(Equiv. 0.236 in.) - Grip Length (EL)
18.06
mm
+ 0.51 / - 0.00
(Equiv. 0.711 in.) - Nom. Length (L)
20.00
mm
+ 0.51 / - 0.00
(Equiv. 0.787 in.) - Head Diameter (H) 10.00 mm
- Groove Diameter (G) 5.0 mm
- Groove Width (M) 0.7 mm
- Suggested E-Clip ECL-0050-0060-CZ
- Material Zinc Plated Low Carbon Steel
Product Compliance and Data
Additional Resources
Cross References
- NoCor CLPGMZ-060-020
- CLP0600200GZ
- CLP0600181GZ
- CLPGMZ060020



