
Miniature Bearings Australia
CLP-060-0163-CZ - Datasheet
MBA
Category Information
Pins - Clevis - Pin Locking - Zinc PlatedZinc Plated Pin Locking Clevis Pins. Match with a suitable R-Clip or Spilt Pin - pin size shown in listings
- In addition to retaining parts on a shaft or axle, clevis pins can also be used as light duty axles, spring holders or even fishing line weights.
- Sinc plated low carbon steel
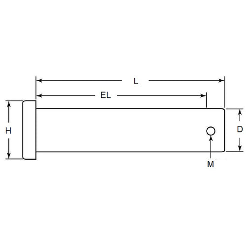
Product Data
- Nominal Pin Diameter (D)
:
6.00
mm
- 0.04 / - 0.16
(Equiv. 0.236 in.) - Grip Length (EL)
16.30
mm
+ 0.51 / - 0.00
(Equiv. 0.642 in.) - Nom. Length (L)
20.00
mm
+ 0.51 / - 0.00
(Equiv. 0.787 in.) - Ret. Pin Dia. (M) 1.6 mm
- Standard ISO2341
- Material Zinc Plated Low Carbon Steel
Product Compliance and Data
Additional Resources
Cross References
- NoCor CLPMZ-060-020-I
- CLPMZ060020I
- CLP0600163Z
- CLP0600200Z



