
Miniature Bearings Australia
BF0060-0120-0060-BS1420LT - Datasheet
MBA
Category Information
Bushes - Flanged - Bronze - SinteredSintered Bronze Flanged Bushes. Oil impregnated flanged sintered bronze bushes.
- An expanded range may be available on special order. Please enquire.
- Precision items show an allowable Load Speed Rating in Newtons times RPM.
Product Data
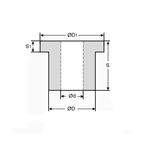
- Nominal Inside Diameter (d) 
:
6.000
mm
+ 0.020 / + 0.032
 (Equiv. 0.236 in.)
- Nominal Outside Diameter (D) 
12.000
mm
+ 0.023 / + 0.041
 (Equiv. 0.472 in.)
- Length (s) 
6.000
mm
+ 0 / - 0.200
 (Equiv. 0.236 in.)
- Flange OD (D1) 14.00 mm
- Flange Thickness (S1) 2.00 mm
- Material Bronze SAE 841 Sintered
Product Compliance and Data
Additional Resources
- DU Bush Material Information
- General Bushes Catalogue
- Sintered Bronze Products Catalogue
- Solid Bronze Bushes catalogue
Cross References
- BF006001200060BS
- BF006001200060BSLL
- A7B4MF061206
 
 
 


