
Miniature Bearings Australia
CMP24-1269-0859-140 - Datasheet
MBA
Category Information
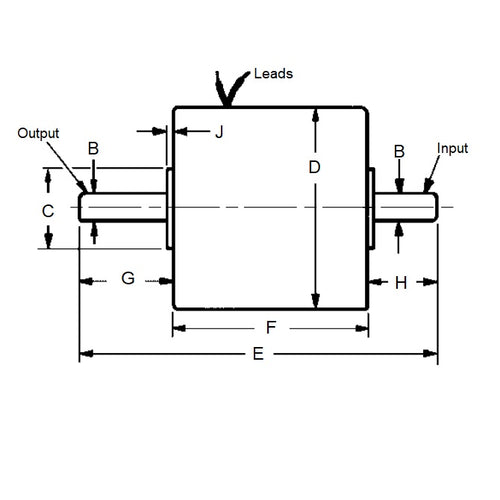
Clutches - Magnetic Particle 24VDCMagnetic Particle 24VDC Clutches. Ultrafast Responses.
- The input shaft becomes coupled to the output shaft with electrical excitation.
- Shafts have a flat on the end.
- Soft or fast start.
Product Data
- Torque Range : 691 to 40355 g.cm
- Shaft Diameter
12.687
mm
(Equiv. 0.499 in.) - Overall Length
140.462
mm
(Equiv. 5.53 in.) - Max. Speed 1000
- Outside Diameter 85.852
Product Compliance and Data
Additional Resources
Cross References
- S90MPAC34D50
- S90MPA-C34D50


