
Miniature Bearings Australia
CMP24-0476-0365-073 - Datasheet
MBA
Category Information
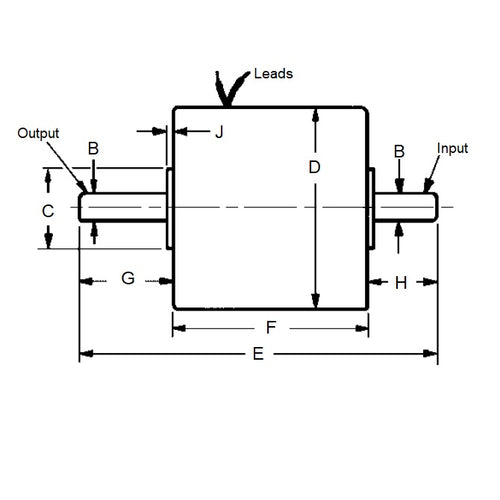
Clutches - Magnetic Particle 24VDCMagnetic Particle 24VDC Clutches. Ultrafast Responses.
- The input shaft becomes coupled to the output shaft with electrical excitation.
- Shafts have a flat on the end.
- Soft or fast start.
Product Data
- Torque Range : 69 to 2306 g.cm
- Shaft Diameter
4.755
mm
(Equiv. 0.187 in.) - Overall Length
73.152
mm
(Equiv. 2.88 in.) - Max. Speed 2000
- Outside Diameter 36.500
Product Compliance and Data
Additional Resources
Cross References
- S90MPA-C14D19A
- S90MPAC14D19A


