
Miniature Bearings Australia
BP0699-0826-0762-BSTT1 - Datasheet
MBA
Category Information
Bushes - Unflanged - Bronze - SinteredSintered Bronze Unflanged Bushes. Oil impregnated sintered bronze bushes.
- An expanded range may be available on special order. Please enquire.
- Precision items show an allowable Load Speed Rating in Newtons times RPM.
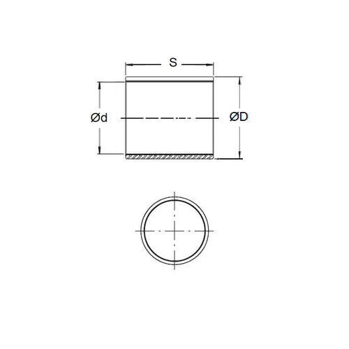
Product Data
- Nominal Inside Diameter (d)
:
69.850
mm
+ 0.051 / + 0.102
(Equiv. 2.75 in.) - Nominal Outside Diameter (D)
82.550
mm
+ 0.076 / + 0.127
(Equiv. 3.25 in.) - Length (s)
76.200
mm
+/- 0.190
(Equiv. 3 in.) - Material Bronze SAE 841 Sintered
Product Compliance and Data
Additional Resources
- DU Bush Material Information
- General Bushes Catalogue
- Sintered Bronze Products Catalogue
- Solid Bronze Bushes catalogue
Cross References
- 6391K693
- Bunting EP445248
- Daemar P-275-24
- Oilube P-275-24
- Symmco SS-88104-48
- P27524
- BP069908260762BSTH
- A7B4-SP668824
- A7B4SP668824
- SS8810448


