
Miniature Bearings Australia
BP0699-0826-0508-BSTT1 - Datasheet
MBA
Category Information
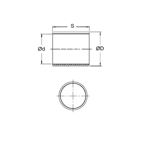
Bushes - Unflanged - Bronze - SinteredSintered Bronze Unflanged Bushes. Oil impregnated sintered bronze bushes.
- An expanded range may be available on special order. Please enquire.
- Precision items show an allowable Load Speed Rating in Newtons times RPM.
Product Data
- Nominal Inside Diameter (d)
:
69.850
mm
+ 0.051 / + 0.102
(Equiv. 2.75 in.) - Nominal Outside Diameter (D)
82.550
mm
+ 0.076 / + 0.127
(Equiv. 3.25 in.) - Length (s)
50.800
mm
+/- 0.190
(Equiv. 2 in.) - Material Bronze SAE 841 Sintered
Product Compliance and Data
Additional Resources
- DU Bush Material Information
- General Bushes Catalogue
- Sintered Bronze Products Catalogue
- Solid Bronze Bushes catalogue
Cross References
- 6391K692
- Bunting EP445232
- Daemar P-275-16
- Oilube P-275-16
- Symmco SS-88104-32
- P27516
- BP069908260508BS
- BP069908260508BSTH
- A7B4SP668816
- A7B4-SP668816
- SS8810432


