
Miniature Bearings Australia
FL205 - Datasheet
MBA
Category Information
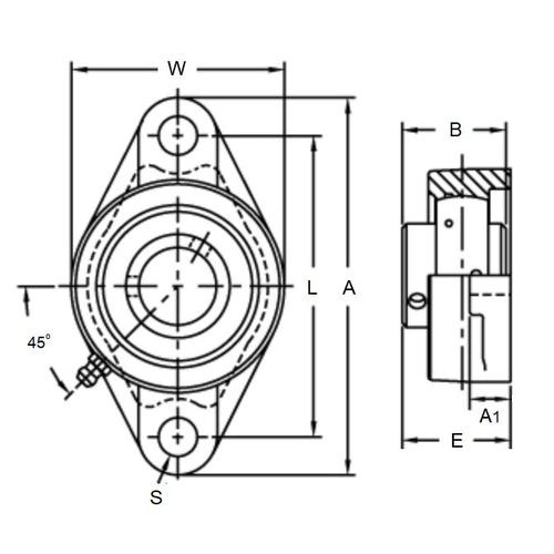
Housings - Flanged - 2 Bolt - Cast Iron to Suit Spherical OD BearingCast Iron to Suit Spherical OD Bearing 2 Bolt Flanged Housings. Lubrication Groove.
- An expanded range may be available on special order. Please enquire.
- Bearings sold separately.
- Larger sizes available on request.
- Use with steel bearing inserts for cast iron housings.
Product Data
- Height (H)
:
68.000
mm
(Equiv. 2.677 in.) - Length (L)
130.000
mm
(Equiv. 5.118 in.) - Width - Assembled (W)
35.700
mm
(Equiv. 1.406 in.) - Bolt Hole Centres (J) 99.000 mm
- Base Width (A1) 14.000 mm
- Bearing Width (B) 34.000 mm
- To Suit Bearing UC205
- Bolt Hole Size (s) 16.000 mm
- Material Cast Iron
Product Compliance and Data
Additional Resources
Cross References
- Nachi FL205J


