
Miniature Bearings Australia
P204PE - Datasheet
KMS
Category Information
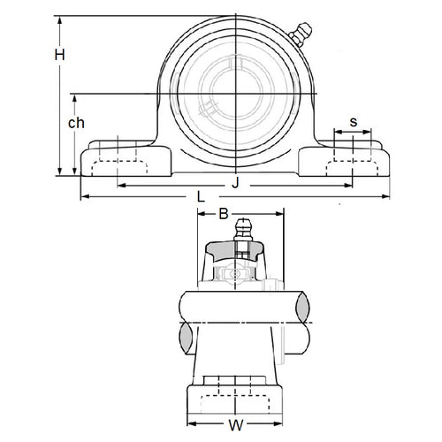
Housings - Pillow Block - ThermoplasticThermoplastic Pillow Block Housings. Use with steel or plastic bearing inserts for plastic housings.
- An expanded range may be available on special order. Please enquire.
- Load and speed capability depend on the bearing used.
Product Data
Deleted Item. Available while stocks last.
Please contact us first if you wish to use this item in a new design so we can check whether production can be resumed.
- Height (H)
:
65.000
mm
(Equiv. 2.559 in.) - Length (L)
127.000
mm
(Equiv. 5 in.) - Base Width (W)
38.000
mm
(Equiv. 1.496 in.) - Bolt Hole Centres (J) 95.000 mm
- Centre Height (cH) 33.300 mm
- Bearing Width (B) 13.000 - 15.000 mm
- To Suit Bearing UC204 - UCDR204 - S6-UC204
- Bolt Hole Size (s) 11 x 14 mm
- Material Polyethylene
Product Compliance and Data
Additional Resources
Cross References
- KMS PPL204


