
Miniature Bearings Australia
BP0635-0762-1016-BSTT - Datasheet
MBA
Category Information
Bushes - Unflanged - Bronze - SinteredSintered Bronze Unflanged Bushes. Oil impregnated sintered bronze bushes.
- An expanded range may be available on special order. Please enquire.
- Precision items show an allowable Load Speed Rating in Newtons times RPM.
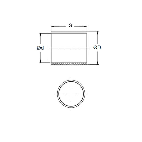
Product Data
- Nominal Inside Diameter (d)
:
63.500
mm
+ 0.064 / + 0.102
(Equiv. 2.5 in.) - Nominal Outside Diameter (D)
76.200
mm
+ 0.076 / + 0.127
(Equiv. 3 in.) - Length (s)
101.600
mm
+/- 0.254
(Equiv. 4 in.) - Material Bronze SAE 841 Sintered
Product Compliance and Data
Additional Resources
- DU Bush Material Information
- General Bushes Catalogue
- Sintered Bronze Products Catalogue
- Solid Bronze Bushes catalogue
Cross References
- 6391K428
- Oilite® AA3005
- Oilube® AA3005
- Bunting® B-4048-32
- Bunting® EP404864
- Daemar P-252-32
- Oilube® P-252-32
- Symmco® SS-8096-64
- A7B4SP648632
- A7B4-SP648632
- P25232
- B404832
- SS809664
- BP063507621016BSHH
- BP063507621016BSTH


