
Miniature Bearings Australia
BP0635-0730-0762-BSTT - Datasheet
MBA
Category Information
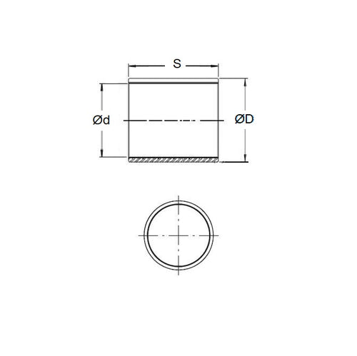
Bushes - Unflanged - Bronze - SinteredSintered Bronze Unflanged Bushes. Oil impregnated sintered bronze bushes.
- An expanded range may be available on special order. Please enquire.
- Precision items show an allowable Load Speed Rating in Newtons times RPM.
Product Data
- Nominal Inside Diameter (d)
:
63.500
mm
+ 0.064 / + 0.102
(Equiv. 2.5 in.) - Nominal Outside Diameter (D)
73.025
mm
+ 0.076 / + 0.127
(Equiv. 2.875 in.) - Length (s)
76.200
mm
+/- 0.190
(Equiv. 3 in.) - Material Bronze SAE 841 Sintered
Product Compliance and Data
Additional Resources
- DU Bush Material Information
- General Bushes Catalogue
- Sintered Bronze Products Catalogue
- Solid Bronze Bushes catalogue
Cross References
- Oilite AA2803-2
- Oilube AA2803-2
- Bunting EP404648
- Daemar P-251-24
- Oilube P-251-24
- Symmco SS-8092-48
- P25124
- BP063507300762BS
- BP063507300762BSHH
- BP063507300762BSTH
- A7B4SP648424
- A7B4-SP648424
- SS809248
- AA28032


