
Miniature Bearings Australia
BP0635-0730-0572-BSTT - Datasheet
MBA
Category Information
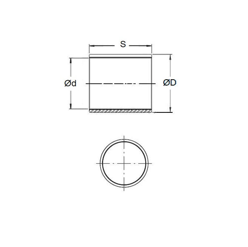
Bushes - Unflanged - Bronze - SinteredSintered Bronze Unflanged Bushes. Oil impregnated sintered bronze bushes.
- An expanded range may be available on special order. Please enquire.
- Precision items show an allowable Load Speed Rating in Newtons times RPM.
Product Data
- Nominal Inside Diameter (d)
:
63.500
mm
+ 0.064 / + 0.102
(Equiv. 2.5 in.) - Nominal Outside Diameter (D)
73.025
mm
+ 0.076 / + 0.127
(Equiv. 2.875 in.) - Length (s)
57.150
mm
+/- 0.190
(Equiv. 2.25 in.) - Material Bronze SAE 841 Sintered
Product Compliance and Data
Additional Resources
- DU Bush Material Information
- General Bushes Catalogue
- Sintered Bronze Products Catalogue
- Solid Bronze Bushes catalogue
Cross References
- Oilite® AA2803-1
- Oilube® AA2803-1
- Bunting® EP404636
- Daemar P-251-18
- Oilube® P-251-18
- Symmco® SS-8092-36
- A7B4SP648418
- A7B4-SP648418
- AA28031
- P25118
- SS809236
- BP063507300572BS
- BP063507300572BSHH
- BP063507300572BSTH


