
Miniature Bearings Australia
BP0635-0699-1016-BSTT - Datasheet
MBA
Category Information
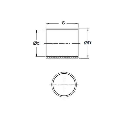
Bushes - Unflanged - Bronze - SinteredSintered Bronze Unflanged Bushes. Oil impregnated sintered bronze bushes.
- An expanded range may be available on special order. Please enquire.
- Precision items show an allowable Load Speed Rating in Newtons times RPM.
Product Data
- Nominal Inside Diameter (d)
:
63.500
mm
+ 0.064 / + 0.102
(Equiv. 2.5 in.) - Nominal Outside Diameter (D)
69.850
mm
+ 0.051 / + 0.102
(Equiv. 2.75 in.) - Length (s)
101.600
mm
+/- 0.254
(Equiv. 4 in.) - Material Bronze SAE 841 Sintered
Product Compliance and Data
Additional Resources
- DU Bush Material Information
- General Bushes Catalogue
- Sintered Bronze Products Catalogue
- Solid Bronze Bushes catalogue
Cross References
- Symmco SS-8088-64
- BP063506991016BS
- BP063506991016BSHH
- BP063506991016BSTH
- A7B4-SP648232
- A7B4SP648232
- SS808864


