
Miniature Bearings Australia
GE-06350-10001-ST-OH - Datasheet
MBA
Category Information
Bushings - Spherical - Steel - With Oil HoleWith Oil Hole Steel Spherical Bushings. Steel spherical plain bearings. Also known as ball bushings.
- Compensates for axial loads and misalignment.
Product Data
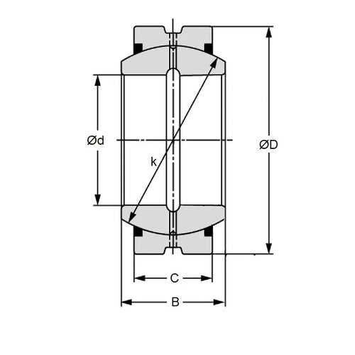
- Bore (d1)
:
63.500
mm
(Equiv. 2.5 in.) - OD (d2)
100.010
mm
(Equiv. 3.937 in.) - Width (B)
55.550
mm
(Equiv. 2.187 in.) - Outer Width (C) 47.62 mm
- Dynamic Load Capacity 43300 kgf
- Static Load Capacity 260000 kgf
- Features No Wiper Seals / With Oil Hole
- Material Steel
Product Compliance and Data
Additional Resources
Cross References
- IKO SBB40
- Nachi SBB-40



