
Miniature Bearings Australia
GE-06350-10001-ST-OH-W - Datasheet
MBA
Category Information
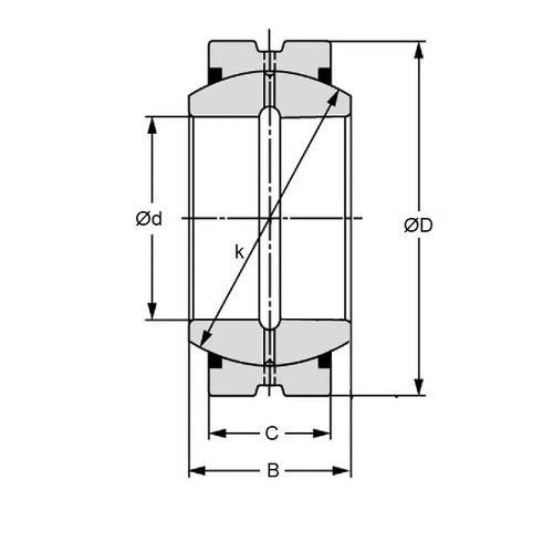
Bushings - Spherical - Steel - With Oil Hole and Wiper SealWith Oil Hole and Wiper Seal Steel Spherical Bushings. Steel spherical plain bearings. Also known as ball bushings.
- Compensates for axial loads and misalignment.
Product Data
- Bore (d1)
:
63.500
mm
(Equiv. 2.5 in.) - OD (d2)
100.010
mm
(Equiv. 3.937 in.) - Width (B)
55.550
mm
(Equiv. 2.187 in.) - Outer Width (C) 47.62 mm
- Dynamic Load Capacity 43300 kgf
- Static Load Capacity 260000 kgf
- Features With Wiper Seals / With Oil Hole
- Material Steel
Product Compliance and Data
Additional Resources
Cross References
- Nachi SBB-40-2RS
- IKO SBB40-2RS
- Nachi SBB-40-RS
- IKO SBB40-RS
- SBB40RS
- SBB402RS



