
Miniature Bearings Australia
GE-06000-09000-ST-W - Datasheet
MBA
Category Information
Bushings - Spherical - Steel - With Wiper SealWith Wiper Seal Steel Spherical Bushings. Steel spherical plain bearings. Also known as ball bushings.
- Compensates for axial loads and misalignment.
Product Data
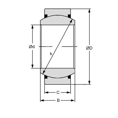
- Bore (d1)
:
60.000
mm
(Equiv. 2.362 in.) - OD (d2)
90.000
mm
(Equiv. 3.543 in.) - Width (B)
44.000
mm
(Equiv. 1.732 in.) - Outer Width (C) 36.00 mm
- Dynamic Load Capacity 28800 kgf
- Static Load Capacity 72000 kgf
- Features With Wiper Seals / No Oil Hole
- Material Steel
Product Compliance and Data
Additional Resources
Cross References
- Nachi GE-60EC-2RS
- IKO GE60EC-2RS
- Nachi GE-60EC-RS
- IKO GE60EC-RS
- GE60ECRS
- GE60EC2RS



