
Miniature Bearings Australia
GE-06000-10500-ST-OH - Datasheet
MBA
Category Information
Bushings - Spherical - Steel - With Oil HoleWith Oil Hole Steel Spherical Bushings. Steel spherical plain bearings. Also known as ball bushings.
- Compensates for axial loads and misalignment.
Product Data
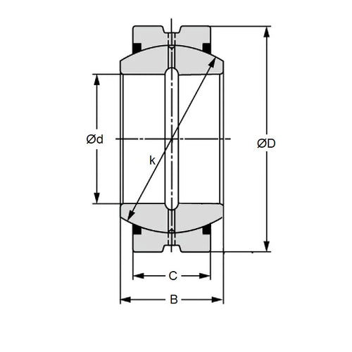
- Bore (d1)
:
60.000
mm
(Equiv. 2.362 in.) - OD (d2)
105.000
mm
(Equiv. 4.134 in.) - Width (B)
63.000
mm
(Equiv. 2.48 in.) - Outer Width (C) 40.00 mm
- Dynamic Load Capacity 36800 kgf
- Static Load Capacity 221000 kgf
- Features No Wiper Seals / With Oil Hole
- Material Steel
Product Compliance and Data
Additional Resources
Cross References
- IKO GE60GS
- Nachi GE-60GS



