
Miniature Bearings Australia
GE-06000-10000-ST-OH-SP - Datasheet
MBA
Category Information
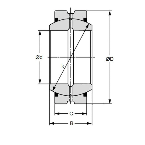
Bushings - Spherical - Steel - With Oil HoleWith Oil Hole Steel Spherical Bushings. Steel spherical plain bearings. Also known as ball bushings.
- Compensates for axial loads and misalignment.
Product Data
- Bore (d1)
:
60.000
mm
(Equiv. 2.362 in.) - OD (d2)
100.000
mm
(Equiv. 3.937 in.) - Width (B)
53.000
mm
(Equiv. 2.087 in.) - Outer Width (C) 45.00 mm
- Dynamic Load Capacity 40500 kgf
- Static Load Capacity 243000 kgf
- Features Spring and oil Hole on OD
- Material Steel
Product Compliance and Data
Additional Resources
Cross References
- IKO SB-6010053
- SB6010053



