
Miniature Bearings Australia
BP0603-0699-0635-BSTT - Datasheet
MBA
Category Information
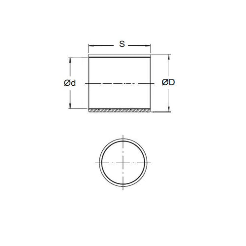
Bushes - Unflanged - Bronze - SinteredSintered Bronze Unflanged Bushes. Oil impregnated sintered bronze bushes.
- An expanded range may be available on special order. Please enquire.
- Precision items show an allowable Load Speed Rating in Newtons times RPM.
Product Data
- Nominal Inside Diameter (d)
:
60.325
mm
+ 0.064 / + 0.102
(Equiv. 2.375 in.) - Nominal Outside Diameter (D)
69.850
mm
+ 0.076 / + 0.127
(Equiv. 2.75 in.) - Length (s)
63.500
mm
+/- 0.190
(Equiv. 2.5 in.) - Material Bronze SAE 841 Sintered
Product Compliance and Data
Additional Resources
- DU Bush Material Information
- General Bushes Catalogue
- Sintered Bronze Products Catalogue
- Solid Bronze Bushes catalogue
Cross References
- Bunting EP384440
- Daemar P-237-20
- Oilube P-237-20
- Symmco SS-7688-40
- P23720
- BP060306990635BS
- BP060306990635BSTH
- BP060306990635BSHH
- A7B4-SP628220
- A7B4SP628220
- SS768840


