
Miniature Bearings Australia
CP-222-HUB-G-PR-60 - Datasheet
MBA
Category Information
Couplings - Geargrip - Precision HubsPrecision Hubs Geargrip Couplings. Match with sleeves from sleeves category
- An expanded range may be available on special order. Please enquire.
Product Data
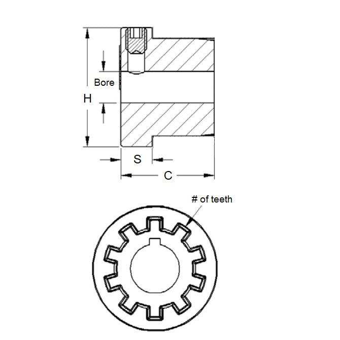
- Bore
:
22.225 (Keyed)
mm
(Equiv. 0.875 in.) - Sleeve OD For 60.20 OD Sleeve mm
- Overall Length Assembled When Complete 63.40 mm
- Description Single Hub Only
- Hub Protrusion Assembled 10.922 mm
- Number of Teeth 12 Nr.
- Hub Length 30.226 mm
- Hub Diameter (C) 52.324 mm
- Keyway Size 4.74 x 2.36 mm
Product Compliance and Data
Additional Resources
Cross References
- GU-2603
- GU2603



