
Miniature Bearings Australia
SLQ-0635-1111-05080-T - Datasheet
MBA
Category Information
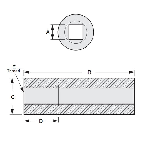
Sleeves - Square Hole - Threaded - Carbon SteelCarbon Steel Threaded Square Hole Sleeves. Square and concentric to 0.076mm (0.003in). Threaded.
- Precisely machined, round outer surface and a uniform, precisely square-shaped hole completely through its center.
Product Data
- Nominal Square Size
:
6.477
mm
+/- 0.0254
(Equiv. 0.255 in.) - Outside Diameter (C)
11.111
mm
(Equiv. 0.437 in.) - Length (B)
50.800
mm
(Equiv. 2 in.) - Actual Square Size (A) 6.350 mm
- Thread Depth (D) 12.700 mm
- Thread Size 5/16-24 UNF (7.938mm)
- Material Carbon Steel 11L17
Product Compliance and Data
Additional Resources
Cross References
- SHS-25
- SHS25
- A7C19-T025
- A7C19T025


