
Miniature Bearings Australia
CLP-064-0091-CZ - Datasheet
MBA
Category Information
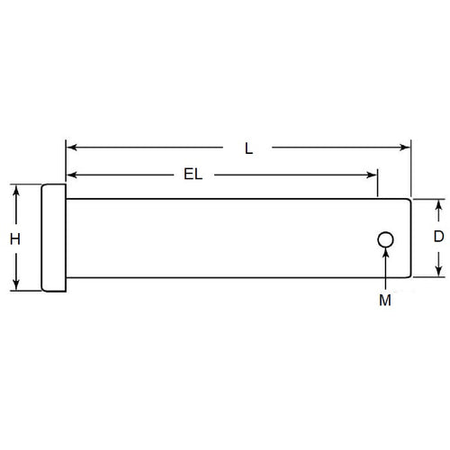
Pins - Clevis - Pin Locking - Zinc PlatedZinc Plated Pin Locking Clevis Pins. Match with a suitable R-Clip or Spilt Pin - pin size shown in listings
- In addition to retaining parts on a shaft or axle, clevis pins can also be used as light duty axles, spring holders or even fishing line weights.
- Sinc plated low carbon steel
Product Data
- Nominal Pin Diameter (D)
:
6.35
mm
- 0.05 / - 0.18
(Equiv. 0.25 in.) - Grip Length (EL)
9.12
mm
+ 0.51 / - 0.00
(Equiv. 0.359 in.) - Nom. Length (L)
12.70
mm
+ 0.51 / - 0.00
(Equiv. 0.5 in.) - Ret. Pin Dia. (M) 2.4 mm
- Suitable R-Clip RCL-020-057-Z
- Material Zinc Plated Low Carbon Steel
Product Compliance and Data
Additional Resources
Cross References
- 97245A132
- NoCor CLP-0250-0500
- NoCor CLPZ-0250-0500
- NoCor CLPZ-0250-0500/B
- CLP0640091Z
- CLP02500500
- CLPZ02500500/B



