
Miniature Bearings Australia
CLP-064-0155-S6 - Datasheet
MBA
Category Information
Pins - Clevis - Pin Locking - Stainless Steel 316Stainless Steel 316 Pin Locking Clevis Pins. Match with a suitable R-Clip or Spilt Pin - pin size shown in listings
- Non-threaded fastener with a head on one end and a hole/groove on the other, used to connect two or more parts in a way that allows for rotation, similar to a bolt, by passing through aligned holes.
- A retaining pin, such as a cotter pin, E-clip or R-clip, is inserted into the hole/groove at the end to keep the clevis pin secured in place.
- In addition to retaining parts on a shaft or axle, clevis pins can also be used as light duty axles, spring holders or even fishing line weights.
Product Data
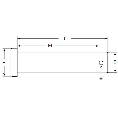
- Nominal Pin Diameter (D)
:
6.35
mm
- 0.05 / - 0.18
(Equiv. 0.25 in.) - Grip Length (EL)
15.47
mm
+ 0.51 / - 0.00
(Equiv. 0.609 in.) - Nom. Length (L)
19.05
mm
+ 0.51 / - 0.00
(Equiv. 0.75 in.) - Ret. Pin Dia. (M) 2.4 mm
- Suitable R-Clip RCL-020-047-S4
- Material Stainless Steel 316 (Similar to A4, 18-10)
Product Compliance and Data
Additional Resources
Cross References
- 92401A106
- NoCor CLPS6-0250-0750
- CLPS602500750


