
Miniature Bearings Australia
BP0064-0095-0095-BC9 - Datasheet
MBA
Category Information
Bushes - Unflanged - Bronze - SolidSolid Bronze Unflanged Bushes. Solid precision leaded gunmetal bronze bushes. C93200 as indicated in the listings.
- An expanded range may be available on special order. Please enquire.
- Composition (Approx.) : Copper 81%, Tin 7%, Zinc 4%, Lead 6%, Nickel 2%.
- Hardness : 70-90 BHN.
Product Data
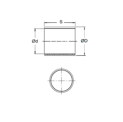
- Nominal Inside Diameter (d)
:
6.350
mm
+/- 0.0254
(Equiv. 0.25 in.) - Nominal Outside Diameter (D)
9.525
mm
+ 0.051 / + 0.0762
(Equiv. 0.375 in.) - Length (s)
9.525
mm
+/- 0.127
(Equiv. 0.375 in.) - Material Bronze C93200
Product Compliance and Data
Additional Resources
- DU Bush Material Information
- General Bushes Catalogue
- Sintered Bronze Products Catalogue
- Solid Bronze Bushes catalogue
Cross References
- 6381K413
- Bunting BB-0406-06
- Century CB-0406-03
- BNT-207
- BNT207
- BB040606
- CB040603



