
Miniature Bearings Australia
BF0064-0095-0095-BS1216TH - Datasheet
MBA
Category Information
Bushes - Flanged - Bronze - SinteredSintered Bronze Flanged Bushes. Oil impregnated flanged sintered bronze bushes.
- An expanded range may be available on special order. Please enquire.
- Precision items show an allowable Load Speed Rating in Newtons times RPM.
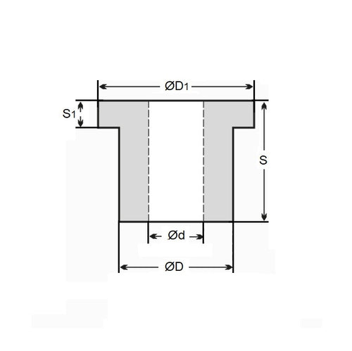
Product Data
- Nominal Inside Diameter (d)
:
6.350
mm
+ 0.025 / + 0.051
(Equiv. 0.25 in.) - Nominal Outside Diameter (D)
9.525
mm
+ 0.038 / + 0.063
(Equiv. 0.375 in.) - Length (s)
9.525
mm
+/- 0.127
(Equiv. 0.375 in.) - Flange OD (D1) 11.91 mm
- Flange Thickness (S1) 1.59 mm
- Material Bronze SAE 841 Sintered
Product Compliance and Data
Additional Resources
- DU Bush Material Information
- General Bushes Catalogue
- Sintered Bronze Products Catalogue
- Solid Bronze Bushes catalogue
Cross References
- Oilite FF-312-1
- Oilube FF-312-1
- Oilite FF312-1
- Symmco SF-812-6
- BF006400950095BSF1216
- SF8126
- FF3121
- A7B4-BF0812
- A7B4BF0812


