
Miniature Bearings Australia
BP0064-0095-0127-BSTT - Datasheet
MBA
Category Information
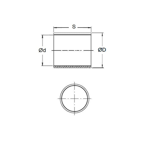
Bushes - Unflanged - Bronze - SinteredSintered Bronze Unflanged Bushes. Oil impregnated sintered bronze bushes.
- An expanded range may be available on special order. Please enquire.
- Precision items show an allowable Load Speed Rating in Newtons times RPM.
Product Data
- Nominal Inside Diameter (d)
:
6.350
mm
+ 0.025 / + 0.051
(Equiv. 0.25 in.) - Nominal Outside Diameter (D)
9.525
mm
+ 0.025 / + 0.051
(Equiv. 0.375 in.) - Length (s)
12.700
mm
+/- 0.127
(Equiv. 0.5 in.) - Material Bronze SAE 841 Sintered
Product Compliance and Data
Additional Resources
- DU Bush Material Information
- General Bushes Catalogue
- Sintered Bronze Products Catalogue
- Solid Bronze Bushes catalogue
Cross References
- 6391K132
- Oilite® AA-307-3
- Oilube® AA-307-3
- Oilite® AA307-3
- Bunting® B-46-4
- Huyett® SB-0812-08
- Small Parts SBB-4-8
- Symmco® SS-812-8
- A7B4GP0816
- A7B4-GP0816
- B464
- QT1723
- QT172-3
- BP006400950127BS05
- BP006400950127BST
- AA3073
- SS8128


