
Miniature Bearings Australia
BP0064-0079-0043-BSTH - Datasheet
MBA
Category Information
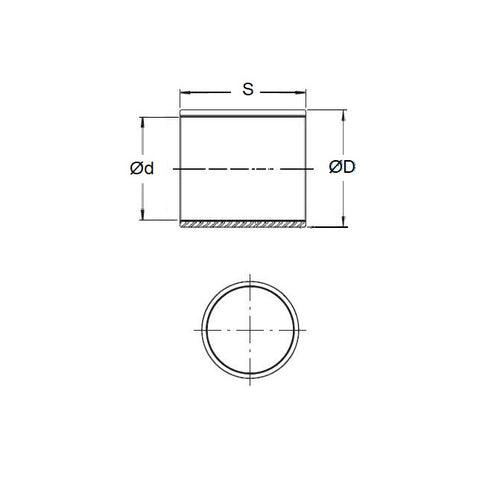
Bushes - Unflanged - Bronze - SinteredSintered Bronze Unflanged Bushes. Oil impregnated sintered bronze bushes.
- An expanded range may be available on special order. Please enquire.
- Precision items show an allowable Load Speed Rating in Newtons times RPM.
Product Data
- Nominal Inside Diameter (d)
:
6.350
mm
+ 0.025 / + 0.051
(Equiv. 0.25 in.) - Nominal Outside Diameter (D)
7.938
mm
+ 0.051 / + 0.076
(Equiv. 0.313 in.) - Length (s)
4.293
mm
+ 0 / - 0.152
(Equiv. 0.169 in.) - Material Bronze SAE 841 Sintered
Product Compliance and Data
Additional Resources
- DU Bush Material Information
- General Bushes Catalogue
- Sintered Bronze Products Catalogue
- Solid Bronze Bushes catalogue
Cross References
- BP006400790043BS
- A7B4P146
- A7B4-P146


