
Miniature Bearings Australia
BLTO-00635-CS-S2P - Datasheet
MBA
Category Information
Balls - Tooling - Two Piece - Press Fit - ShoulderShoulder Press Fit Two Piece Tooling Balls. 1144 steel heat treated to 53-57 RC
- High quality tooling balls provide a precise reference point for critical machining operations.
- Tooling balls, also known as tooling spheres or precision spheres, are precision components used in fixture design, tooling setup, and alignment applications.
- Tooling balls are made of hardened steel or other materials with high wear resistance and precision-ground surfaces.
- Available with slip fit or light press fit shank diameters.
- Precision ground shoulder provides precise C dimension to facilitate locating ball centre line.
- Knurled shoulder.
- Weld between ball and shank is designed so the ball will fall off if subject to unusually heavy lateral force, preventing set up and inspection errors that may occur because of a bent shaft.
Product Data
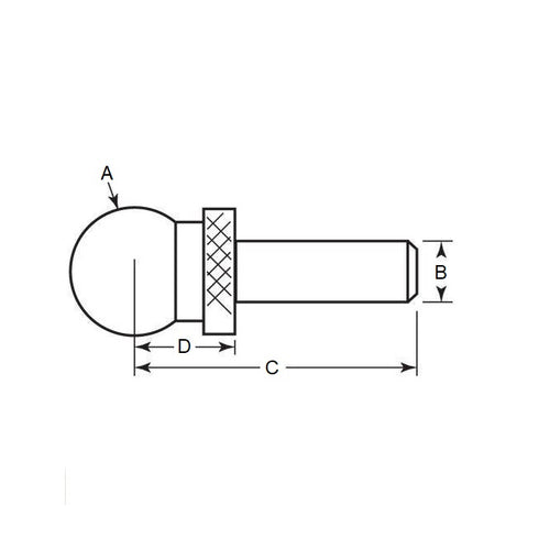
- Diameter (A)
:
6.350
mm
+/- 0.0051
(Equiv. 0.25 in.) - Shank Diameter (B)
3.175
mm
+ 0.0000 / - 0.0076
(Equiv. 0.125 in.) - Base to Centre (C)
14.224
mm
(Equiv. 0.56 in.) - Shoulder to Centre (D) 5.080 mm
- Material Carbon Steel
Product Compliance and Data
Additional Resources
Cross References
- UB-805
- UB805


