
Miniature Bearings Australia
BF0064-0095-0048-BS1316UH - Datasheet
MBA
Category Information
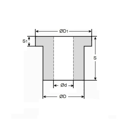
Bushes - Flanged - Bronze - SinteredSintered Bronze Flanged Bushes. Oil impregnated flanged sintered bronze bushes.
- An expanded range may be available on special order. Please enquire.
- Precision items show an allowable Load Speed Rating in Newtons times RPM.
Product Data
- Nominal Inside Diameter (d)
:
6.350
mm
+ 0.00 / - 0.025
(Equiv. 0.25 in.) - Nominal Outside Diameter (D)
9.525
mm
+ 0.127 / + 0.152
(Equiv. 0.375 in.) - Length (s)
4.763
mm
+/- 0.127
(Equiv. 0.188 in.) - Flange OD (D1) 12.70 mm
- Flange Thickness (S1) 1.59 mm
- Material Bronze SAE 841 Sintered
Product Compliance and Data
Additional Resources
- DU Bush Material Information
- General Bushes Catalogue
- Sintered Bronze Products Catalogue
- Solid Bronze Bushes catalogue
Cross References
- Oilite FF310
- BF006400950048BSF1316



