
Miniature Bearings Australia
BFM-250-HT - Datasheet
MBA
Category Information
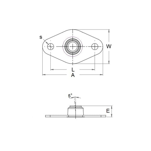
Housing and Bearing Assembly - Flanged 2 Bolt - Aligning - PTFE BronzePTFE Bronze Aligning Flanged 2 Bolt Housing and Bearing Assembly. Low profile self aligning flange mounted PTFE bronze bearings
- Bearing housing assemblies combine matching parts already assembled. Bearings in this range refer to either ball bearings or plain bearings. Refer to the listings for each type.
- Flanged mounting allows for a shaft to run through a bulkhead to which the housing is mounted, or to have a shaft mounted perpendicular to a metal frame.
- +/- 5% Static Alignment
Product Data
Deleted Item. Available while stocks last.
Please contact us first if you wish to use this item in a new design so we can check whether production can be resumed.
- Nominal Shaft Size
:
6.350
mm
(Equiv. 0.25 in.) - Width (W)
53.34
mm
(Equiv. 2.1 in.) - Overall Length (A)
16.76
mm
(Equiv. 0.66 in.) - Overall Height (E) 30.23 mm
- Min to Max Shaft Dia. 6.302 to 6.325 mm
- Max. Radial Dynamic Load 1913 N
- Bolt Hole Centres (L) 38.86 mm
- Max Speed 6015
- Material PTFE Impregnated Bronze - High Temperature
Product Compliance and Data
Additional Resources



