
Miniature Bearings Australia
SHX-TP-0350C-06-025-S3 - Datasheet
MBA
Product Data
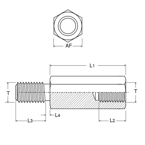
- Thread Size : 6-32 UNC (3.5mm)
- Stud Length (L3)
6.35
mm
(Equiv. 0.25 in.) - Base Length (L1)
19.05
mm
(Equiv. 0.75 in.) - Across Flats (A/F) 6.35 mm
- Bore Thread Length (L2) 9.53 mm
- Material Stainless Steel 303 (Similar to A2, 304, 18-8)
Product Compliance and Data
Additional Resources
Cross References
- 91075A444
- RAF826
- RAF-826



