
Miniature Bearings Australia
IN-TP-035C-05-A-S3 - Datasheet
MBA
Category Information
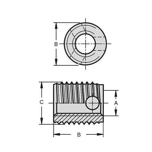
Inserts - Self Tapping - For Aluminium - Stainless 303Stainless 303 For Aluminium Self Tapping Inserts. Threaded inserts are screwed into preformed or predrilled holes and cut their own threads into the wall of permanent installations.
- Provides a strong wear and vibration resistant thread.
- Low volumes can be installed by winding in with a bolt through the threaded centre. Large volumes can be installed with hand installation tools (Sold Seperately)
- Hole sizes are reference only. Can vary on batches. Optimum hole size is to be determinded through experimentation.
- A 60o countersink is required for flush mounting.
- Can be used in Aluminium, aluminium alloy or magnesium. Made from 303 stainless steel.
Product Data
- Internal Thread : 6-32 UNC (3.5mm)
- Rec. Hole Diameter
5.486
mm
(Equiv. 0.216 in.) - Length (L)
5.0
mm
(Equiv. 0.197 in.) - Outside Diameter (B) 5.994 mm
- Required Hole Depth 7.010 mm
- Material to be used in Aluminium, Aluminium Alloy, Magnesium and Mild Steel
- Material Stainless Steel 303/304 (Similar to A2, 18-8) HRB80
Product Compliance and Data
Additional Resources
Cross References
- INTP0350C050AS3


