
Miniature Bearings Australia
NT035C-THC-S3 - Datasheet
MBA
Category Information
Nuts - Thumb - Collared - StainlessStainless Collared Thumb Nuts. This is the main category in this series
Product Data
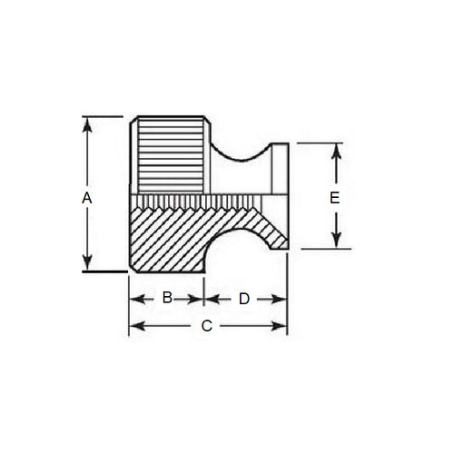
- Thread Size : 6-32 UNC (3.5mm)
- Overall Length (C)
7.1
mm
(Equiv. 0.28 in.) - Head Width (B)
3.18
mm
(Equiv. 0.125 in.) - Head Diameter (A) 9.53 mm
- Collar Diameter (E) 8.73 mm
- Collar Height (D) 3.97 mm
- Material Stainless Steel 303 (Similar to A2, 304, 18-8)
Product Compliance and Data
Additional Resources
Cross References
- 95150A130
- AJ-749
- AJ749



