
Miniature Bearings Australia
NT035C-THC-BR - Datasheet
MBA
Category Information
Nuts - Thumb - Collared - BrassBrass Collared Thumb Nuts. This is the main category in this series
Product Data
Deleted Item. Available while stocks last.
Please contact us first if you wish to use this item in a new design so we can check whether production can be resumed.
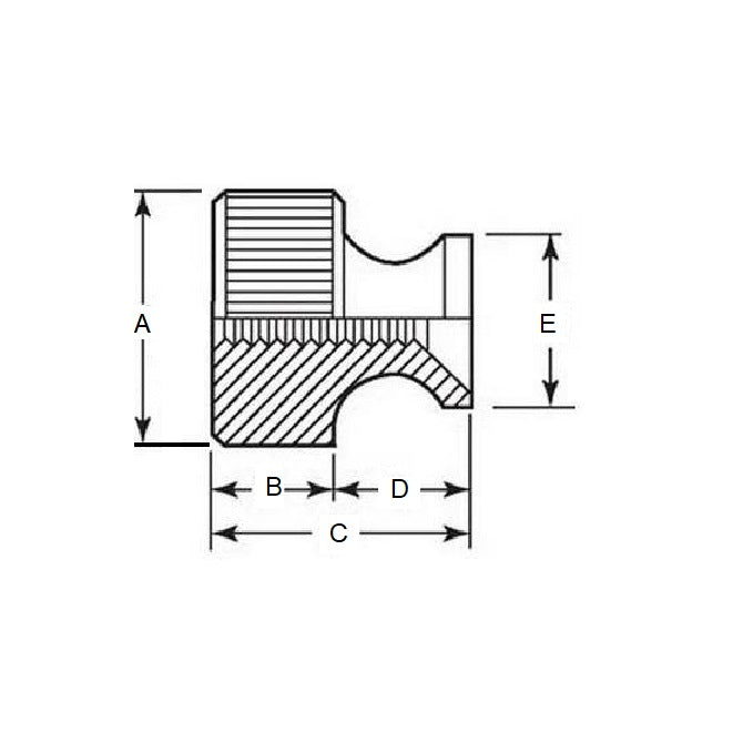
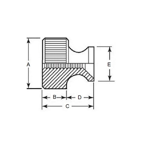
- Thread Size : 6-32 UNC (3.5mm)
- Overall Length (C)
7.1
mm
(Equiv. 0.28 in.) - Head Width (B)
3.18
mm
(Equiv. 0.125 in.) - Head Diameter (A) 9.53 mm
- Collar Diameter (E) 8.73 mm
- Collar Height (D) 3.97 mm
- Material Brass
Product Compliance and Data
Additional Resources
Cross References
- 92741A110
- AJ709
- AJ-709



