
Miniature Bearings Australia
NT035C-BLL-CZ - Datasheet
MBA
Category Information
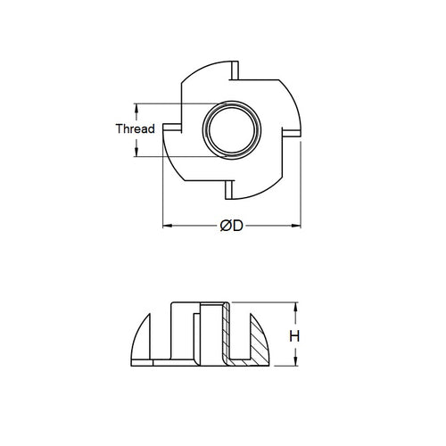
Nuts - Blind - StandardStandard Blind Nuts. Blind nuts - Tee nuts.
- Put steel threads in soft materials like wood without counterboring.
Product Data
Deleted Item. Available while stocks last.
Please contact us first if you wish to use this item in a new design so we can check whether production can be resumed.
- Thread Size : 6-32 UNC (3.5mm)
- Flange Diameter
14.3
mm
(Equiv. 0.563 in.) - Barrel Height
4.8
mm
(Equiv. 0.189 in.) - Type Tee Nut
- Pitch 0.794 mm
- Threads Per Inch 32 TPI
- Material Steel Zinc Plated
Product Compliance and Data
Additional Resources
Cross References
- MicroFast BN0632L


