
Miniature Bearings Australia
CC-063-071-C - Datasheet
MBA
Category Information
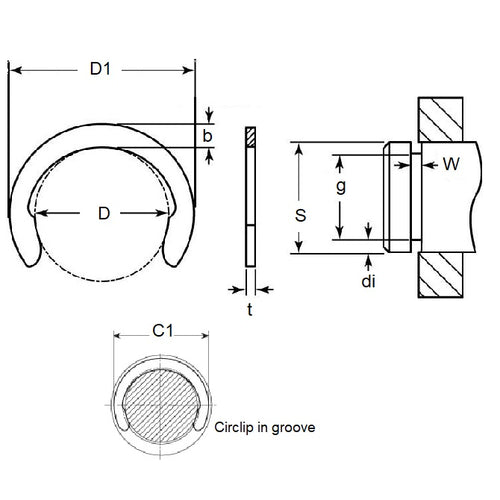
Retaining Rings - CrescentCrescent Retaining Rings. Variation of an E-Clip with an open face. Also known as a C-Clip.
- Narrow section height provides good clearance capabilities.
- Absence of teeth and deep set mean less thrust load ratings than e-clips.
- For best results install using the recommended applicator tool.
Product Data
- Groove Diameter (G)
:
6.27
mm
(Equiv. 0.247 in.) - Shaft Diameter (S)
7.14
mm
(Equiv. 0.281 in.) - Thickness (t)
0.64
mm
(Equiv. 0.025 in.) - Clip OD in groove (C1) 9.14 mm
- Clip OD Loose (D1) 8.79 mm
- Groove Width (W) 0.74
- Material Carbon Spring Steel Self Finish
Product Compliance and Data
Additional Resources
Cross References
- Military 16632-028
- Military 16632-028/B
- Military 16632-028-B
- Waldes 5103-028
- Waldes 5103-028/B
- Waldes 5103-028-B
- Ellison 9103-028
- Ellison 9103-028/B
- Ellison 9103-028-B
- 97414A630
- NoCor C-028
- Rotor Clip C-028
- NoCor C-028/B
- Rotor Clip C-028/B
- NoCor C-028-B
- Rotor Clip C-028-B
- 5103028
- 5103028B
- 5103028/B
- 16632028
- 16632028/B
- 16632028B
- C028
- C028B
- C028/B
- N1800-028-B
- N1800028
- N1800028/B
- N18000028APP
- N1800-0028APP
- N1800-028/B
- N1800028B
- 9103028/B
- 9103028B


