
Miniature Bearings Australia
RPO-063-065-C - Datasheet
MBA
Category Information
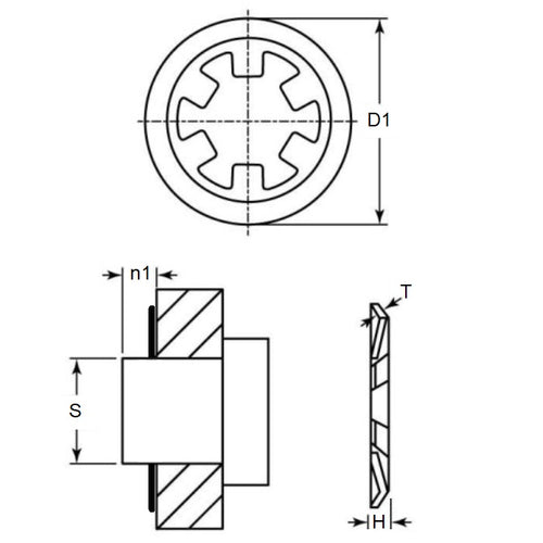
Retaining Rings - Push On - Carbon SteelCarbon Steel Push On Retaining Rings. M1465 / DTX / Seeger ZA and KS.
- An expanded range may be available on special order. Please enquire.
- Thrust load shown is calculated for ideal conditions with mild steel shaft.
- If no thrust load is shown, testing is suggested.
Product Data
- Min shaft size (s1)
:
6.25
mm
(Equiv. 0.246 in.) - Max Shaft Size (s2)
6.45
mm
(Equiv. 0.254 in.) - Outside diameter (D1)
13.26
mm
(Equiv. 0.522 in.) - Min shaft extension (n1) 1.88 mm
- Height (H) Max. 0.94 mm
- Material Thickness (t) 0.25 mm
- Approx. Thrust Load 24 kg
- Material Carbon Steel
Product Compliance and Data
Additional Resources
Cross References
- Waldes 5115-025
- 98430A120
- NoCor TX-025
- Rotor Clip TX-025
- N1465025
- N14650025
- N1465-025
- N1465-0025
- TX025
- 5115025



