
Miniature Bearings Australia
CP-060-100-25-030-H-C-AL - Datasheet
MBA
Category Information
Couplings - Helical - StandardStandard Helical Couplings. 0.1 to 16.2 Nm.
- An expanded range may be available on special order. Please enquire.
- Zero backlash.
- Max. Ang Misalignment 5 Degree
- Max Parallel Offset 0.25mm.
Product Data
Deleted Item. Available while stocks last.
Please contact us first if you wish to use this item in a new design so we can check whether production can be resumed.
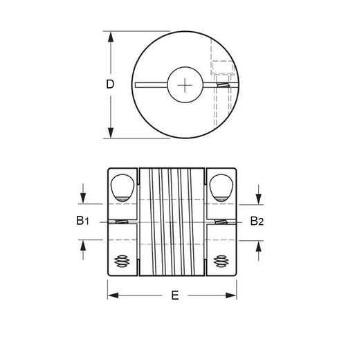
- Bore (B1)
:
6.000
mm
+ 0.020 / - 0.000
(Equiv. 0.236 in.) - Bore (B2)
10.000
mm
+ 0.020 / - 0.000
(Equiv. 0.394 in.) - OD (D) / Clearance Dia (H)
25 / 27
mm
+/- 0.4
(Equiv. 0.984 in.) - Length (L) 30.000 mm +/- 0.40
- Torsional Flexibility +/-0.70 Arc.Min / N.m
- Material Aluminium
Product Compliance and Data
Additional Resources


