
Miniature Bearings Australia
PUI012-0500-100-S4S440 - Datasheet
MBA
Category Information
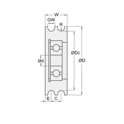
Pulleys - U Groove Idler - Double Row - StainlessStainless Double Row U Groove Idler Pulleys. Stainless with Stainless Ball Bearings
- Use with round belts such as Round Seamless Urethane or O-Rings
- Also used to run on round shafting or curved tracks
Product Data
- Maximum Cable Diameter (H)
:
6.0
mm
(Equiv. 0.236 in.) - Outside Diameter (OD)
50.0
mm
(Equiv. 1.969 in.) - Bore (A)
10.000
mm
(Equiv. 0.394 in.) - Body Width 18.0 mm
- Overall Width (OAL) 18.0
- Dia. to Base of Groove (B) 42 mm
- Centre Spacing 8
- Type Stainless 440 Shielded Precision Ball Bearing
- Groove Radius (R) 3.1
- Material Stainless Steel 304 (Similar to A2, 18-8) HRB80
Product Compliance and Data
Additional Resources
Cross References
- MBXS4831


