
Miniature Bearings Australia
BF0050-0080-0060-BS1020TL - Datasheet
MBA
Category Information
Bushes - Flanged - Bronze - SinteredSintered Bronze Flanged Bushes. Oil impregnated flanged sintered bronze bushes.
- An expanded range may be available on special order. Please enquire.
- Precision items show an allowable Load Speed Rating in Newtons times RPM.
Product Data
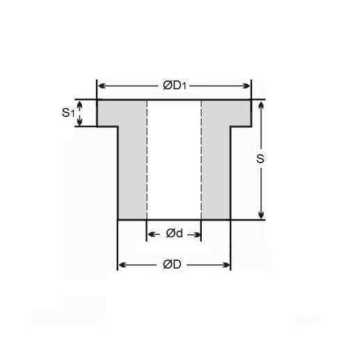
- Nominal Inside Diameter (d) 
:
5.000
mm
+ 0.020 / + 0.032
 (Equiv. 0.197 in.)
- Nominal Outside Diameter (D) 
8.000
mm
+ 0.019 / + 0.034
 (Equiv. 0.315 in.)
- Length (s) 
6.000
mm
+ 0 / - 0.200
 (Equiv. 0.236 in.)
- Flange OD (D1) 10.00 mm
- Flange Thickness (S1) 2.00 mm
- Material Bronze SAE 841 Sintered
Product Compliance and Data
Additional Resources
- DU Bush Material Information
- General Bushes Catalogue
- Sintered Bronze Products Catalogue
- Solid Bronze Bushes catalogue
Cross References
- BF005000800060BSTL
- BF005000800060BSLL
- A7B4MF050806
 
 
 


