
Miniature Bearings Australia
RRT-225 - Datasheet
MBA
Category Information
Retaining Rings - Internal - Spiral Rings - Medium-Heavy Duty - Carbon SteelCarbon Steel Medium-Heavy Duty Spiral Rings Internal Retaining Rings. Includes Series AMI / WHT / Spirolox RRT - Spring Steel
- An expanded range may be available on special order. Please enquire.
- Originally designed to fit NAS50-51 grooves, this series is a popular OEM specification.
- This two/three turn design is easier to install than the heavy duty RRN option.
- Equivalent to Associated Spring: AMI, Smalley: WHT, Spirolox and Ramsey: RRT
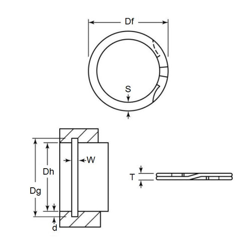
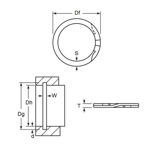
Product Data
- Housing Bore (B)
:
57.15
mm
(Equiv. 2.25 in.) - Clip Thickness (T)
1.99
mm
+/- 0.08
(Equiv. 0.078 in.) - Groove Dia. (Dg)
60.20
mm
(Equiv. 2.37 in.) - Approx. Loose Circlip OD (Dr) 60.69 mm + 0.64 / - 0.00
- Radial Wall (S) Approx. 3.58 mm +/- 0.10
- Groove Width (W) 2.25 mm +/- 0.15
- Approx. Loose Clip ID 53.53 +/- 0.06
- Groove Depth (d) 1.52
- Material Carbon Spring Steel
Product Compliance and Data
Additional Resources
Cross References
- Associated Spring AMI-225
- Smalley WHT-225
- WHT225
- AMI225


