
Miniature Bearings Australia
BP0572-0667-0762-BSTT1 - Datasheet
MBA
Category Information
Bushes - Unflanged - Bronze - SinteredSintered Bronze Unflanged Bushes. Oil impregnated sintered bronze bushes.
- An expanded range may be available on special order. Please enquire.
- Precision items show an allowable Load Speed Rating in Newtons times RPM.
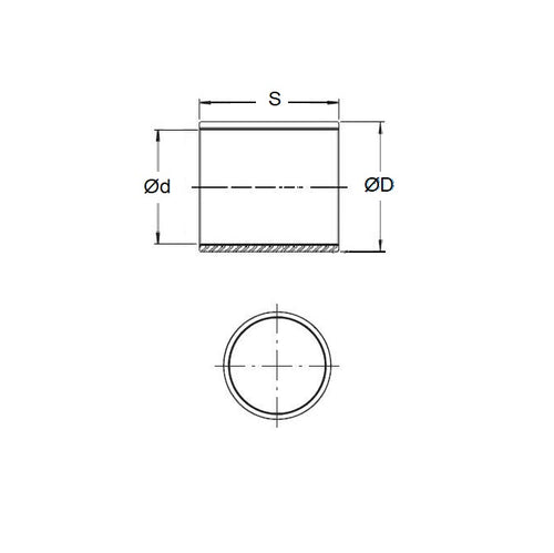
Product Data
- Nominal Inside Diameter (d)
:
57.150
mm
+ 0.064 / + 0.102
(Equiv. 2.25 in.) - Nominal Outside Diameter (D)
66.675
mm
+ 0.064 / + 0.114
(Equiv. 2.625 in.) - Length (s)
76.200
mm
+/- 0.190
(Equiv. 3 in.) - Material Bronze SAE 841 Sintered
Product Compliance and Data
Additional Resources
- DU Bush Material Information
- General Bushes Catalogue
- Sintered Bronze Products Catalogue
- Solid Bronze Bushes catalogue
Cross References
- Oilite AA2605-5
- Oilube AA2605-5
- BP057206670762BSHH
- BP057206670762BSHH1
- A7B4SP608024
- A7B4-SP608024
- AA26055


