
Miniature Bearings Australia
BP0572-0667-0635-BSTT - Datasheet
MBA
Category Information
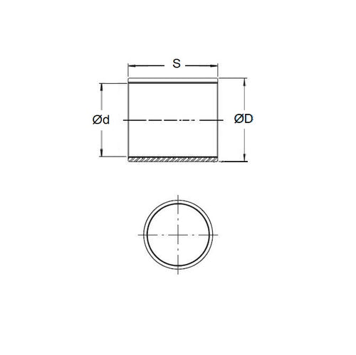
Bushes - Unflanged - Bronze - SinteredSintered Bronze Unflanged Bushes. Oil impregnated sintered bronze bushes.
- An expanded range may be available on special order. Please enquire.
- Precision items show an allowable Load Speed Rating in Newtons times RPM.
Product Data
- Nominal Inside Diameter (d)
:
57.150
mm
+ 0.064 / + 0.102
(Equiv. 2.25 in.) - Nominal Outside Diameter (D)
66.675
mm
+ 0.076 / + 0.127
(Equiv. 2.625 in.) - Length (s)
63.500
mm
+/- 0.190
(Equiv. 2.5 in.) - Material Bronze SAE 841 Sintered
Product Compliance and Data
Additional Resources
- DU Bush Material Information
- General Bushes Catalogue
- Sintered Bronze Products Catalogue
- Solid Bronze Bushes catalogue
Cross References
- Bunting EP364240
- Daemar P-225-20
- Oilube P-225-20
- Symmco SS-7284-40
- P22520
- BP057206670635BS
- BP057206670635BSHH
- BP057206670635BSTH
- A7B4SP608020
- A7B4-SP608020
- SS728440


