
Miniature Bearings Australia
GE-05000-08000-ST-OH - Datasheet
MBA
Category Information
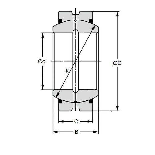
Bushings - Spherical - Steel - With Oil HoleWith Oil Hole Steel Spherical Bushings. Steel spherical plain bearings. Also known as ball bushings.
- Compensates for axial loads and misalignment.
Product Data
- Bore (d1)
:
50.000
mm
(Equiv. 1.969 in.) - OD (d2)
80.000
mm
(Equiv. 3.15 in.) - Width (B)
42.000
mm
(Equiv. 1.654 in.) - Outer Width (C) 36.00 mm
- Dynamic Load Capacity 25900 kgf
- Static Load Capacity 156000 kgf
- Features No Wiper Seals / With Oil Hole
- Material Steel
Product Compliance and Data
Additional Resources
Cross References
- Nachi SB-50A
- IKO SB-50-A
- SB50A



