
Miniature Bearings Australia
OS05000-06800-080-VI - Datasheet
MBA
Category Information
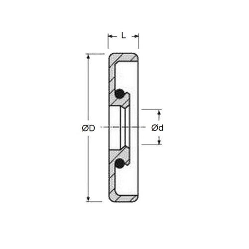
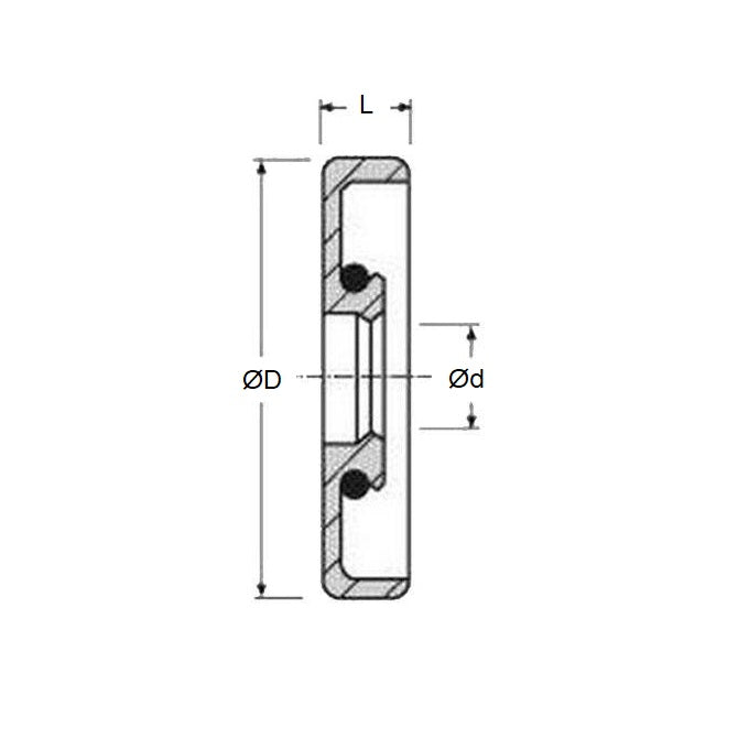
Seals - Oil - Rubber - FluoroelastomerFluoroelastomer Rubber Oil Seals. DIN 3760 - High Temperature and chemical resistance.
- This category will be discontinued when the remaining items are sold.
- All items are priced to quit.
- Backorders or orders for previously listed items in the category will only be available for very large orders.
- Operating Temp. Range: -20oC to +240oC.
- The rubber elastomer outer covering tolerates thermal expansion as well as roughness in the housing bore.
- Suitable for synthetic and hydraulic fluids, strong acids, steam, many chemicals and many alkalis.
Product Data
Deleted Item. Available while stocks last.
Please contact us first if you wish to use this item in a new design so we can check whether production can be resumed.
- Suitable Shaft Size
:
50.00
mm
(Equiv. 1.969 in.) - Housing Size
68.00
mm
(Equiv. 2.677 in.) - Width
8.00
mm
(Equiv. 0.315 in.) - Material Fluoroelastomer
Product Compliance and Data
Additional Resources



